CNCD Việt Nam – Đại diện chính thức của Nhà máy CNCD Trung Quốc tại Việt Nam, chuyên cung cấp thiết bị khí công nghiệp và giải pháp LNG trọn gói cho các nhà máy, khu công nghiệp trên toàn quốc.
Với hơn 600+ dự án khí công nghiệp đã triển khai tại Việt Nam từ năm 2018, CNCD cam kết cung cấp hệ thống lưu trữ, vận chuyển, hóa hơi khí LNG, CO₂, Oxy, Nito, Argon… đạt chuẩn quốc tế – vận hành tối ưu – chi phí cạnh tranh.
Tại sao lại lựa chọn CNCD Gas
Với kinh nghiệm trong ngành khí công nghiệp việt nam từ 2010, kinh nghiệm cấp thiết bị tại Việt Nam từ 2015, chúng tôi có thể đa dạng hoá việc cung cấp thiết bị và giải pháp cho thị trường Việt Nam như sau:
+ Tư vấn chuyển đổi tính toán lượng gas/lỏng khách hàng sử dụng dựa trên nhiệt trị hoặc kế hoạch sử dụng
+ Lên phương án cho các thiết bị chính, khảo sát mặt bằng.
+ Thiết kế bản vẽ mặt bằng theo thông tin đã khảo sát và khách hàng cung cấp.
Hơn 15 năm kinh nghiệm trong ngành khí công nghiệp tại Việt Nam
- Thiết bị đạt tiêu chuẩn quốc tế: GB (Trung Quốc), ASME (Hoa Kỳ), ISO
- Hỗ trợ tư vấn – thiết kế – thi công – bảo hành trọn gói
- Đội ngũ kỹ sư nước ngoài thường trú tại Việt Nam, hỗ trợ kỹ thuật 24/7
- Giá thành cạnh tranh – hiệu quả đầu tư tối ưu – giao hàng toàn quốc

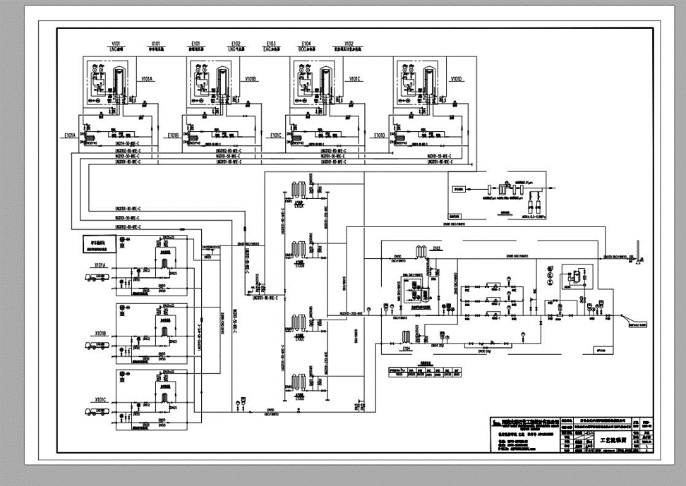
+ Thiết kế cung cấp sơ đồ công nghệ đường ống, báo giá cho toàn bộ hệ thống van, phụ kiện đi kèm.
+ Sản xuât và cung cấp các thiết bị chính theo tiêu chuẩn GB hoặc ASME, cung cấp các thiết bị phụ Trung Quốc hoặc Châu Âu theo lựa chọn của khách hàng.
+ Cung cấp PLC điều khiển cho các hệ thống tùy chọn theo nhu cầu của khách hàng. Bao gồm: Hệ thống điều khiển tự động PLC, Điều khiển van đóng ngắt khẩn cấp, cảnh báo rò khí, cảnh báo lửa, hiển thị lưu lượng, áp suất và nhiệt độ …


+ Giao hàng đến tận chân công trình theo yêu cầu của khách hàng
+ Thanh toán linh hoạt bằng VND, USD hoặc RMB sau khi bàn giao hàng hóa.
+ Lắp đặt trọn gói toàn bộ khu vực bồn trạm, hệ thống đường ống van, cung cấp ống bảo ôn hoặc chân không theo yêu cầu khách hàng.

+ Các thiết bị áp lực, bồn chứa, bồn vận chuyển, đường ống đều đáp ứng tiêu chuẩn hợp quy, kiểm định của Chính phủ Việt Nam.
+ Cung cấp dịch vụ làm sạch bồn, làm lạnh bồn, làm sạch đường ống công nghệ bằng nito lỏng trước khi sử dụng…

+ Cung cấp nito lỏng sản lượng lớn cho các dịch vụ làm lạnh bồn chứa với khối lượng > 1000 tấn.
+ Chuyên gia kỹ thuật của nhà máy thường trú tại Việt Nam, có thể hỗ trợ 24/7, giải đáp và xử lý mọi vấn đề kỹ thuật cũng như tư vấn chuyên sâu cho khách hàng.
DỊCH VỤ CHÌA KHÓA TRAO TAY – TỪ A ĐẾN Z
Khảo Sát – Tư Vấn – Thiết Kế Hệ Thống Khí Công Nghiệp
- Tư vấn chuyển đổi nhiên liệu (FO → LNG), tính toán nhu cầu sử dụng theo nhiệt trị
- Khảo sát mặt bằng, thiết kế sơ đồ công nghệ và bản vẽ bố trí thiết bị
- Hỗ trợ chọn van, phụ kiện, đường ống bảo ôn/ống chân không phù hợp vận hành
Cung Cấp Thiết Bị Khí Công Nghiệp & Hệ Điều Khiển
- Thiết bị chính: bồn chứa LNG, CO₂, Oxy, Nito; trạm hóa hơi; trạm chiết; ISO Tank; xe bồn
- Chất lượng chế tạo: GB, ASME – kiểm định đầy đủ
- Tủ điều khiển PLC tùy chỉnh:
- Tự động hóa đóng/mở van
- Cảnh báo rò rỉ – cảnh báo cháy
- Hiển thị thông số áp suất – nhiệt độ – lưu lượng
- Tích hợp hệ thống ngắt khẩn cấp

Vận Chuyển – Thi Công – Kiểm Định
- Giao hàng tận nơi, thanh toán linh hoạt (VND – USD – RMB)
- Lắp đặt toàn bộ hệ thống: bồn trạm – hóa hơi – đường ống – tủ PLC
- Lắp đặt ống chân không, bảo ôn, hỗ trợ vận hành và chạy thử
Vận Hành – Bảo Trì – Hỗ Trợ Kỹ Thuật
- Đảm bảo hợp quy, kiểm định áp lực theo quy định Việt Nam
- Cung cấp dịch vụ làm lạnh bồn chứa, súc rửa hệ thống bằng Nito lỏng
- Cung cấp Nito lỏng (>1.000 tấn) cho nhu cầu làm sạch, thử áp lực

Kỹ sư thường trực 24/7 – sẵn sàng xử lý sự cố, bảo hành tận nơi
Giao hàng đến tận chân công trình theo yêu cầu của khách hàng
+ Thanh toán linh hoạt bằng VND, USD hoặc RMB sau khi bàn giao hàng hóa.
+ Lắp đặt trọn gói toàn bộ khu vực bồn trạm, hệ thống đường ống van, cung cấp ống bảo ôn hoặc chân không theo yêu cầu khách hàng.
+ Các thiết bị áp lực, bồn chứa, bồn vận chuyển, đường ống đều đáp ứng tiêu chuẩn hợp quy, kiểm định của Chính phủ Việt Nam.
+ Cung cấp dịch vụ làm sạch bồn, làm lạnh bồn, làm sạch đường ống công nghệ bằng nito lỏng trước khi sử dụng…
LIÊN HỆ NGAY HÔM NAY – NHẬN TƯ VẤN MIỄN PHÍ
- CNCD VIỆT NAM – Giải pháp khí công nghiệp trọn gói từ khảo sát đến bảo trì
- Thiết bị LNG – CO₂ – O₂, N₂, Ar chính hãng, vận hành hiệu quả, hỗ trợ kỹ thuật 24/7
- Cam kết thi công đúng tiến độ – tối ưu chi phí – bảo hành tận nơi
📞 Hotline: +84 88 861 87 87
📧 Email: info@cncdgas.vn
🌐 Website: https://cncdgas.vn/
📱 Zalo: 0888 61 8787
📘 Fanpage: facebook.com/industrialgasvn
👥 THAM GIA CỘNG ĐỒNG NGÀNH KHÍ VIỆT NAM
